Circuit Diagram Of Nokia X2 00

29+ Circuit Diagram Of Nokia X2 00 Pictures. Schematic and structural diagram, circuits of an arrangement of elements, specifications of elements, features of assembly and disassembly, features of repair cellular gsm phone nokia 7110. Is there the schematif of asus z00vd ?

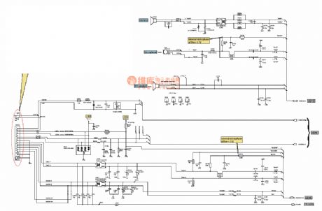
Nokia 5130 Full PCB Diagram Mother Board Layout.
Nokia 5130 Full PCB Diagram Mother Board Layout. from www.u2ugsm.com
Is there the schematif of asus z00vd ? Please tick the box below to get download link Schematic and structural diagram, circuits of an arrangement of elements, specifications of elements, features of assembly and disassembly, features of repair cellular gsm phone nokia 7110.

With the help of guides and videos.

In the collection of the service manual and circuit schematic diagrams mobile phone. Nokia pcb diagram integrated circuit names. A drawing meant to depict the physical arrangement of the wires and the components they connect is called. Please tick the box below to get download link


Belum ada Komentar untuk "Circuit Diagram Of Nokia X2 00"

Posting Komentar

Iklan Atas Artikel

Iklan Tengah Artikel 1

Iklan Tengah Artikel 2

Iklan Bawah Artikel